Electronic Workbench
Kali ini saya akan mempostingkan blog saya tentang Mata kuliah saya "Teknik Digital" yang sedang berlangsung di semester II ini.
Saya akan memberikan rangkaian teknik counter atau pencacahan
Bisa dilihat gambar-gambar ini :
yang belum punya softwarenya silahkan di download aja yah di google, soalnya saya belum punya link nya sendiri :)
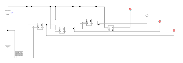
Di gambar ini akan saya jelaskan.
Disini meembutuhkan :
Yang harus dilakukan :
pertama kita sambungkan baterai ke flip-flop J, begitu seterusnya, setelah itu flip-flop K ke arus abaterai, tepatnya seperti gambar diatas.
not dari flip-flop yang pertama kita sambungkan ke function generator + (positive)
dan function generator negative ke ground
Kemudian, flip-flop Q di sambungkan ke not flip-flop 2 dan seterusnya. Dan yang terakhir kita sambungkan lampu. bisa dilihat di keterangan No. 3
Dan setelah semua tersambung tepatnya pada dan sesuai pada di gambar di atas.nyalakan switch on yang terletak di paling ujung box..
Kali ini saya akan mempostingkan blog saya tentang Mata kuliah saya "Teknik Digital" yang sedang berlangsung di semester II ini.
Saya akan memberikan rangkaian teknik counter atau pencacahan
Bisa dilihat gambar-gambar ini :
yang belum punya softwarenya silahkan di download aja yah di google, soalnya saya belum punya link nya sendiri :)
Di gambar ini akan saya jelaskan.
Disini meembutuhkan :
- Baterai sebagai arus dan ground kita memakai 5 volt tekanan pada batrai nya.
- Function Generator sebagai penyalur dari tekanan arus
- 4 buah Flip-Flop active high Asynch Input
- 4 buah lampu >> Lampu yang pertama yang paling ujung adalah 1, dan yang kedua adalah 2, next yang ketiga adalah 4, dan yang terakhir yang paling atas adalah 8. Kenapa begitu? karena kita menjalankan menggunakan bilangan biner dengan 4 bit
Yang harus dilakukan :
pertama kita sambungkan baterai ke flip-flop J, begitu seterusnya, setelah itu flip-flop K ke arus abaterai, tepatnya seperti gambar diatas.
not dari flip-flop yang pertama kita sambungkan ke function generator + (positive)
dan function generator negative ke ground
Kemudian, flip-flop Q di sambungkan ke not flip-flop 2 dan seterusnya. Dan yang terakhir kita sambungkan lampu. bisa dilihat di keterangan No. 3
Dan setelah semua tersambung tepatnya pada dan sesuai pada di gambar di atas.nyalakan switch on yang terletak di paling ujung box..
switch on-of
Ini ada gambar lampu menyala dari 1-15 biner.
Lampu Pertama :
Lampu Ke-2 :
Lampu ke-3 :
Lampu Ke-4 :
Lampu Ke-5 :
Lampu Ke-6 :
Lampu Ke-7 :
Lampu Ke-8 :
Lampu Ke-9 :
Lampu Ke-10 :
Lampu ke-11 :
Lampu ke-12 :
Lampu ke-13 :
Lampu ke-14 :
Lampu Ke-15 :
Demikian postingan saya tentang : Teknik Digital Rangkaian Counter dengan 4 Bit

















Terima Kasih Telah Mengunjungi Blog saya dan Berkomentar dengan Sopan :)